Hot Tapping Service Solutions
For All Your Pipeline Needs
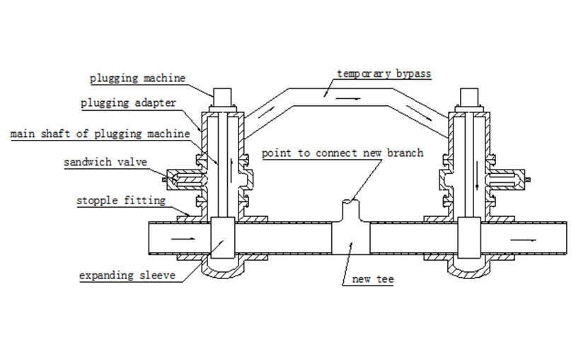
ETM, LLC. provides top-quality hot tapping services for pipelines and pressurized systems without shutting down the system or interrupting material flow. We take pride in providing safe, quick, and efficient service for pipeline repair, reconstruction, or replacement with our state-of-the-art line of hot tapping machines. With an arsenal of industry-grade equipment and a variety of hot tapping service methods (shown below), our in-house hot tapping specialists are well-versed in providing professional hot tapping services for a large scope of pipelines and pressurized systems regardless of size, scale, or complexity. ETM, LLC is your solution for all hot tapping needs.
With the large scale of pipeline and pressurized system project variability, it can be difficult to find the best solution for your unique system needs. ETM, LLC. eliminates the problem with our extensive products catalog to provide hot tapping machine supply for all pipeline parameters. Coupled with our various hot tapping methods, we strive to be your single solution for all your hot tapping service and supply needs.
























Because of our large range of services and equipment, as well as variables in pipeline parameters and specifications, we highly encourage interested customers to take advantage of our complimentary consultations and quotations. This allows our engineers to fully familiarize themselves with the site, system, and needed scope of services – additionally, it allows us to become better acquainted with you, the customer!